![]()  | 
      对射光束一体的槽型光电传感器 
 超精确,超灵敏,超可靠的 
 Ultra accurate,ultra adaptable,ultra reliableteopto 
 Teopto self-contained thru-beam sensors are designed to streamline any production process. No more alignment problems, fragile installations, and fiber optic complexity. Their rugged features and built-in reliability make them a natural to meet demanding applications such as part positioning, edge detection, gripper positioning, parts ejection, pallet transfer, pick and place, and Poka-Yoke. 
 
 
 
 
 
 
 
 
 
 
 
 
 
 
 
 
 
 
 
 
 
 
 
 
 
 
 
 
 
 
 
 
 
 
 
 
 
 
 
 
 
 
 
 
 
 
  | 
    
| 
 快速配置并运行 
 Get up and running fast 
 These sensors install in no time. Their one-piece design makes them a snap to precisely target whatever aspect of the process is necessary. One cable does the job. No multiple fiber optic cables and separate amplifers are needed to complicate the installation 
 适应性 
 Flexible 
 
 
 
 
 
 
 
 
 
 
 
 
 
 
 
 
 
 
 
 
 
 
 
 
 
 
 
 
 
 
 
 
 
 
 
 
 
 
 
 
 
 
 
 
  | 
      选择精度等级 可见红光发射模式能达到检测0.3mm以下的分辨率,间隙小 的等级II类的激光束的分辨率均达0.06mm以下. Choose your level of accuracy. 
 Reliable 
 
 
 
 
 
 
 
 
 
 
 
 
 
 
 
 
 
 
 
 
 
 
 
 
 
 
 
 
 
 
 
 
 
 
 
 
 
 
 
 
 
 
 
 
 
 
  | 
    
| 为何选择对射光束的传感器? 
 Why use a thru-beam sensor? 
 
 
 
 
 
 
 
 
 
 
 
 
 
 
 
 
 
 
 
 
 
 
 
 
 
 
 
 
 
 
 
 
 
 
 
 
 
 
 
 
 
 
  | 
    ||
| 对射光束的优势..... 
 The advantages of thru-beams… 
 能容易检测出小零件 
 Able to detect small parts with ease 
 能适应极其恶劣的环境. 
 Extremely tolerant of dirty environments 
 完全不受目标颜色,反射或表面状态的影响 
 Completely immune to target color, reflectivity or surface condition 
 往复非接触地感应的方式 
 Most repeatable non-contact sensing mode 
 当涉及到可靠性和准确性时,对射光束感应要优与其他光感应模式.其可靠性是直射而获取超增益的结果,超增益的测量,高光能量的对准使感应稳定正常.这样的传感器耐灰尘、湿气、碎屑在其表面上。 
 When it comes to reliability and accuracy, there is no optical sensing mode better than thru-beam sensing. Their reliability is a result of the extraordinary levels of excess gain. Excess gain is the measurement of light energy above the level required for normal sensing. The more excess gain a sensor has, the more tolerant it is of dirt, moisture and debris accumulating on the sensor. 
 
 
 
 
 
 
 
 
 
 
 
 
 
 
 
 
 
 
 
 
 
 
 
 
 
 
 
 
 
 
 
 
 
 
 
 
 
 
 
 
  | 
        
这个精度是对射光束的因素,定义明确了感应区域,这个区域称为有效的光束,尺寸取决发射器和接收器透镜的大小,由于检测目标遮断一部分光束,透镜很小,有效光束也很细,传感器就能获取很高精确度。 
 The accuracy of thru-beams result from a tightly, well-defined sensing area. This area, called the effective beam, is the size of the emitter and receiver lens. Since a target is detected by breaking a portion of the beam, the smaller the lens, the smaller the effective beam, and the more accurate the sensor. 
 
 
 
 
 
 
 
 
 
 
 
 
 
 
 
 
 
 
 
 
 
 
 
 
 
 
 
 
 
 
 
 
 
 
 
 
 
 
 
 
 
 
 
  | 
    |
| 正确选型对射光束一体的槽型光电传感器 
 Pick the self-contained thru-beam sensor that is right for you 
 
 
 
 
 
 
 
 
 
 
 
 
 
 
 
 
 
 
 
 
 
 
 
 
 
  | 
    ||||||||
| 
 C型(C Frame) 
 
 
 
 
 
 
 
 
 
 
 
 
 
 
 
 
 
 
 
 
 
 
 
 
 
  | 
      L型(L Frame) | |||||||
| 理想的外壳适合用于圆斗送料机轨、零件测量与零件检测的工具、机械臂的末端效应器. 
 Ideal housing for feeder bowl tracks, part gauging and part detection in tooling and robotic end effectors. 
 
 
 
 
 
 
 
 
 
 
 
 
 
 
 
 
 
 
 
 
 
 
 
 
 
  | 
      
 理想的外壳适合用于大型物件检测、不同的物体大小、狭窄空间、双上进料轨道和两轴运动。 
 Ideal housing for large object detection, varying object size, confined spaces, two-up feed tracks and two axis movements. 
 
 
 
 
 
 
 
 
 
 
 
 
 
 
 
 
 
 
 
 
 
 
 
 
 
  | 
    |||||||
| 
 | 
      
 | 
    |||||||
| 
 可见红光(Visible Red) 
 
 
 
 
 
 
 
 
 
 
 
 
 
 
 
 
 
 
 
 
 
 
 
 
 
  | 
      
 激光(Laser) 
 
 
 
 
 
 
 
 
 
 
 
 
 
 
 
 
 
 
 
 
 
 
 
 
 
  | 
      可见红光(Visible Red) | 
 激光(Laser) 
 
 
 
 
 
 
 
 
 
 
 
 
 
 
 
 
 
 
 
 
 
 
 
 
 
  | 
      
 耐用的红外光(Heavy Duty Infraredaser) 
 
 
 
 
 
 
 
 
 
 
 
 
 
 
 
 
 
 
 
 
 
 
 
 
 
  | 
    ||||
| 
 | 
      
 | 
    |||||||
 ![]()  | 
       ![]()  | 
         | 
       ![]()  | 
         | 
    ||||
| 
 | 
      
 | 
    |||||||
| 最经济型的 Most economical version  | 
      最对极其恶劣的环境(即切割液、油和碎屑) For harsh environments (i.e. cutting fuids, oil, and debris)  | 
      
 最经济型的 
 
 
 
 
 
 
 
 
 
 
 
 
 
 
 
 
 
 
 
 
 
 
 
 
 
  | 
      
 对于极度精确的用途(即测量和微小细节检测) 
 
 
 
 
 
 
 
 
 
 
 
 
 
 
 
 
 
 
 
 
 
 
 
 
 
  | 
      
 对极其恶劣的环境 
 
 
 
 
 
 
 
 
 
 
 
 
 
 
 
 
 
 
 
 
 
 
 
 
 
  | 
    ||||
| 弥补光纤的不足Eliminating the disadvantages of fiber optics | ||
| 麻烦的光纤 
 在典型的送料导轨的检测系统中使用的光纤。这有点脆弱的系统由一个单独的发射器和接收器和放大器来控制的。必须注意纤维不能损坏或对偏,该发射器和接收器纤维必须再调整,通常需一个另外的特殊定制的支架。 
 Here is a typical feed track detection system using fiber optics. This somewhat fragile system consists of a separate emitter and receiver and an amplifer to control them. Care must be taken not to damage or misalign the fibers. The emitter and receiver fibers must be held in alignment, usually with an additional special custom bracket. 
 
 
 
 
 
 
 
 
 
 
 
 
 
 
 
 
 
 
 
 
 
 
 
 
 
 
 
 
 
 
 
 
 
 
 
  | 
      
            较好地替代光纤  
 
 
 
 
 
 
 
 
 
 
 
 
 
 
 
 
 
 
 
 
 
 
 
 
 
 
 
 
 
 
 
 
 
 
 
 
  | 
      
 Teopto Thru-beams: 
 
 
 
 
 
 
 
 
 
 
 
 
 
 
 
 
 
 
 
 
 
 
 
 
 
 
 
 
 
 
 
 
 
 
 
 
 
  | 
    
![]()  | 
      ![]()  | 
    
| 光源Light Source | 可见红光(Visible Red) | 激光(Laser) | ||||
| 槽宽Gap Sizes | PNP NPN | PNP NPN | ||||
| 
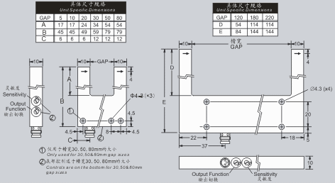
 5mm 
 
 
 
 
 
 
 
 
 
 
 
 
 
 
 
 
 
 
 
 
 
 
 
 
 
 
 
 
 
 
 
 
  | 
      
 
 
 
 
 
 
 
 
 
 
 
 
 
 
 
 
 
 
 
 
 
 
 
 
 
 
 
 
 
 
 
 
 
 
  | 
      
 BGL5A-001-S49 
 
 
 
 
 
 
 
 
 
 
 
 
 
 
 
 
 
 
 
 
 
 
 
 
 
 
 
 
 
 
 
 
  | 
      
 BGL5A-002-S49 
 
 
 
 
 
 
 
 
 
 
 
 
 
 
 
 
 
 
 
 
 
 
 
 
 
 
 
 
 
 
 
 
  | 
      
 
 
 
 
 
 
 
 
 
 
 
 
 
 
 
 
 
 
 
 
 
 
 
 
 
 
 
 
 
 
 
 
 
 
  | 
      
 
 
 
 
 
 
 
 
 
 
 
 
 
 
 
 
 
 
 
 
 
 
 
 
 
 
 
 
 
 
 
 
 
 
  | 
      
 
 
 
 
 
 
 
 
 
 
 
 
 
 
 
 
 
 
 
 
 
 
 
 
 
 
 
 
 
 
 
 
 
 
  | 
    
| 
 10mm 
 
 
 
 
 
 
 
 
 
 
 
 
 
 
 
 
 
 
 
 
 
 
 
 
 
 
 
 
 
 
 
 
  | 
      
 
 
 
 
 
 
 
 
 
 
 
 
 
 
 
 
 
 
 
 
 
 
 
 
 
 
 
 
 
 
 
 
 
 
  | 
      
 BGL10A-001-S49 
 
 
 
 
 
 
 
 
 
 
 
 
 
 
 
 
 
 
 
 
 
 
 
 
 
 
 
 
 
 
 
 
  | 
      
 BGL10A-002-S49 
 
 
 
 
 
 
 
 
 
 
 
 
 
 
 
 
 
 
 
 
 
 
 
 
 
 
 
 
 
 
 
 
  | 
      
 
 
 
 
 
 
 
 
 
 
 
 
 
 
 
 
 
 
 
 
 
 
 
 
 
 
 
 
 
 
 
 
 
 
  | 
      
 
 
 
 
 
 
 
 
 
 
 
 
 
 
 
 
 
 
 
 
 
 
 
 
 
 
 
 
 
 
 
 
 
 
  | 
      
 
 
 
 
 
 
 
 
 
 
 
 
 
 
 
 
 
 
 
 
 
 
 
 
 
 
 
 
 
 
 
 
 
 
  | 
    
| 
 20mm 
 
 
 
 
 
 
 
 
 
 
 
 
 
 
 
 
 
 
 
 
 
 
 
 
 
 
 
 
 
 
 
 
  | 
      
 
 
 
 
 
 
 
 
 
 
 
 
 
 
 
 
 
 
 
 
 
 
 
 
 
 
 
 
 
 
 
 
 
 
  | 
      
 BGL20A-001-S49 
 
 
 
 
 
 
 
 
 
 
 
 
 
 
 
 
 
 
 
 
 
 
 
 
 
 
 
 
 
 
 
 
  | 
      
 BGL20A-002-S49 
 
 
 
 
 
 
 
 
 
 
 
 
 
 
 
 
 
 
 
 
 
 
 
 
 
 
 
 
 
 
 
 
  | 
      
 
 
 
 
 
 
 
 
 
 
 
 
 
 
 
 
 
 
 
 
 
 
 
 
 
 
 
 
 
 
 
 
 
 
  | 
      
 
 
 
 
 
 
 
 
 
 
 
 
 
 
 
 
 
 
 
 
 
 
 
 
 
 
 
 
 
 
 
 
 
 
  | 
      
 
 
 
 
 
 
 
 
 
 
 
 
 
 
 
 
 
 
 
 
 
 
 
 
 
 
 
 
 
 
 
 
 
 
  | 
    
| 
 30mm 
 
 
 
 
 
 
 
 
 
 
 
 
 
 
 
 
 
 
 
 
 
 
 
 
 
 
 
 
 
 
 
 
  | 
      
 
 
 
 
 
 
 
 
 
 
 
 
 
 
 
 
 
 
 
 
 
 
 
 
 
 
 
 
 
 
 
 
 
 
  | 
      
 BGL30A-001-S49 
 
 
 
 
 
 
 
 
 
 
 
 
 
 
 
 
 
 
 
 
 
 
 
 
 
 
 
 
 
 
 
 
  | 
      
 BGL30A-002-S49 
 
 
 
 
 
 
 
 
 
 
 
 
 
 
 
 
 
 
 
 
 
 
 
 
 
 
 
 
 
 
 
 
  | 
      
 
 
 
 
 
 
 
 
 
 
 
 
 
 
 
 
 
 
 
 
 
 
 
 
 
 
 
 
 
 
 
 
 
 
  | 
      
 BGL30A-003-S49 
 
 
 
 
 
 
 
 
 
 
 
 
 
 
 
 
 
 
 
 
 
 
 
 
 
 
 
 
 
 
 
 
  | 
      
 BGL30A-004-S49 
 
 
 
 
 
 
 
 
 
 
 
 
 
 
 
 
 
 
 
 
 
 
 
 
 
 
 
 
 
 
 
 
  | 
    
| 
 50mm 
 
 
 
 
 
 
 
 
 
 
 
 
 
 
 
 
 
 
 
 
 
 
 
 
 
 
 
 
 
 
 
 
  | 
      
 
 
 
 
 
 
 
 
 
 
 
 
 
 
 
 
 
 
 
 
 
 
 
 
 
 
 
 
 
 
 
 
 
 
  | 
      
 BGL50A-001-S49 
 
 
 
 
 
 
 
 
 
 
 
 
 
 
 
 
 
 
 
 
 
 
 
 
 
 
 
 
 
 
 
 
  | 
      
 BGL50A-002-S49 
 
 
 
 
 
 
 
 
 
 
 
 
 
 
 
 
 
 
 
 
 
 
 
 
 
 
 
 
 
 
 
 
  | 
      
 
 
 
 
 
 
 
 
 
 
 
 
 
 
 
 
 
 
 
 
 
 
 
 
 
 
 
 
 
 
 
 
 
 
  | 
      
 BGL50A-003-S49 
 
 
 
 
 
 
 
 
 
 
 
 
 
 
 
 
 
 
 
 
 
 
 
 
 
 
 
 
 
 
 
 
  | 
      
 BGL50A-004-S49 
 
 
 
 
 
 
 
 
 
 
 
 
 
 
 
 
 
 
 
 
 
 
 
 
 
 
 
 
 
 
 
 
  | 
    
| 
 80mm 
 
 
 
 
 
 
 
 
 
 
 
 
 
 
 
 
 
 
 
 
 
 
 
 
 
 
 
 
 
 
 
 
  | 
      
 
 
 
 
 
 
 
 
 
 
 
 
 
 
 
 
 
 
 
 
 
 
 
 
 
 
 
 
 
 
 
 
 
 
  | 
      
 BGL80A-001-S49 
 
 
 
 
 
 
 
 
 
 
 
 
 
 
 
 
 
 
 
 
 
 
 
 
 
 
 
 
 
 
 
 
  | 
      
 BGL80A-002-S49 
 
 
 
 
 
 
 
 
 
 
 
 
 
 
 
 
 
 
 
 
 
 
 
 
 
 
 
 
 
 
 
 
  | 
      
 
 
 
 
 
 
 
 
 
 
 
 
 
 
 
 
 
 
 
 
 
 
 
 
 
 
 
 
 
 
 
 
 
 
  | 
      
 BGL80A-003-S49 
 
 
 
 
 
 
 
 
 
 
 
 
 
 
 
 
 
 
 
 
 
 
 
 
 
 
 
 
 
 
 
 
  | 
      
 BGL80A-004-S49 
 
 
 
 
 
 
 
 
 
 
 
 
 
 
 
 
 
 
 
 
 
 
 
 
 
 
 
 
 
 
 
 
  | 
    
| 
 120mmm 
 
 
 
 
 
 
 
 
 
 
 
 
 
 
 
 
 
 
 
 
 
 
 
 
 
 
 
 
 
 
 
 
  | 
      
 
 
 
 
 
 
 
 
 
 
 
 
 
 
 
 
 
 
 
 
 
 
 
 
 
 
 
 
 
 
 
 
 
 
  | 
      
 BGL120A-001-S49 
 
 
 
 
 
 
 
 
 
 
 
 
 
 
 
 
 
 
 
 
 
 
 
 
 
 
 
 
 
 
 
 
  | 
      
 BGL120A-002-S49 
 
 
 
 
 
 
 
 
 
 
 
 
 
 
 
 
 
 
 
 
 
 
 
 
 
 
 
 
 
 
 
 
  | 
      
 
 
 
 
 
 
 
 
 
 
 
 
 
 
 
 
 
 
 
 
 
 
 
 
 
 
 
 
 
 
 
 
 
 
  | 
      
 BGL120A-003-S49 
 
 
 
 
 
 
 
 
 
 
 
 
 
 
 
 
 
 
 
 
 
 
 
 
 
 
 
 
 
 
 
 
  | 
      
 BGL120A-004-S49 
 
 
 
 
 
 
 
 
 
 
 
 
 
 
 
 
 
 
 
 
 
 
 
 
 
 
 
 
 
 
 
 
  | 
    
| 
 180mm 
 
 
 
 
 
 
 
 
 
 
 
 
 
 
 
 
 
 
 
 
 
 
 
 
 
 
 
 
 
 
 
 
  | 
      
 
 
 
 
 
 
 
 
 
 
 
 
 
 
 
 
 
 
 
 
 
 
 
 
 
 
 
 
 
 
 
 
 
 
  | 
      
 BGL180A-001-S49 
 
 
 
 
 
 
 
 
 
 
 
 
 
 
 
 
 
 
 
 
 
 
 
 
 
 
 
 
 
 
 
 
  | 
      
 BGL180A-002-S49 
 
 
 
 
 
 
 
 
 
 
 
 
 
 
 
 
 
 
 
 
 
 
 
 
 
 
 
 
 
 
 
 
  | 
      
 
 
 
 
 
 
 
 
 
 
 
 
 
 
 
 
 
 
 
 
 
 
 
 
 
 
 
 
 
 
 
 
 
 
  | 
      
 
 
 
 
 
 
 
 
 
 
 
 
 
 
 
 
 
 
 
 
 
 
 
 
 
 
 
 
 
 
 
 
 
 
  | 
      
 
 
 
 
 
 
 
 
 
 
 
 
 
 
 
 
 
 
 
 
 
 
 
 
 
 
 
 
 
 
 
 
 
 
  | 
    
| 
 220mm 
 
 
 
 
 
 
 
 
 
 
 
 
 
 
 
 
 
 
 
 
 
 
 
 
 
 
 
 
 
 
 
 
  | 
      
 
 
 
 
 
 
 
 
 
 
 
 
 
 
 
 
 
 
 
 
 
 
 
 
 
 
 
 
 
 
 
 
 
 
  | 
      
 BGL220A-001-S49 
 
 
 
 
 
 
 
 
 
 
 
 
 
 
 
 
 
 
 
 
 
 
 
 
 
 
 
 
 
 
 
 
  | 
      
 BGL220A-002-S49 
 
 
 
 
 
 
 
 
 
 
 
 
 
 
 
 
 
 
 
 
 
 
 
 
 
 
 
 
 
 
 
 
  | 
      
 
 
 
 
 
 
 
 
 
 
 
 
 
 
 
 
 
 
 
 
 
 
 
 
 
 
 
 
 
 
 
 
 
 
  | 
      
 
 
 
 
 
 
 
 
 
 
 
 
 
 
 
 
 
 
 
 
 
 
 
 
 
 
 
 
 
 
 
 
 
 
  | 
      |
| 技术参数(Technical parameters): | ||||||
|  分辨率 Resolution  | 
      
 0.3mm(5-30mm models);0.5mm(50-80mm);0.8mm(120-220mm) 
 
 
 
 
 
 
 
 
 
 
 
 
 
 
 
 
 
 
 
 
 
 
 
 
 
 
 
 
 
 
 
 
  | 
      
 0.06mm(30mm models);0.1mm(50mm);0.2mm(80mm);0.3mm(120mm) 
 
 
 
 
 
 
 
 
 
 
 
 
 
 
 
 
 
 
 
 
 
 
 
 
 
 
 
 
 
 
 
  | 
    ||||
|  回差 Hysteresis  | 
      0.1mm(5-30mm);0.15mm(50mm); 0.2mm(80-220mm)  | 
      0.01mm(all models) | ||||
|  重复精度 Repeatability  | 
      
 0.02mm(5-30mm);0.04m(50mm); 
 
 
 
 
 
 
 
 
 
 
 
 
 
 
 
 
 
 
 
 
 
 
 
 
 
 
 
 
 
 
 
 
 
  | 
      0.015mm(all models) | ||||
| 外壳材料Housing material | 阳极氧化铝Anodized aluminum | 阳极氧化铝Anodized aluminum | ||||
| 防护等级Degree of protection | IP65 | IP65 | ||||
| 工作温度Operating temperatu | -10...+60℃ | -10...+60℃ | ||||
| 工作电压Operating voltage | 10-30VDC | 10-30VDC | ||||
| 开关频率Switching frequency | 1.5KHz | 3KHz | ||||
| 输出Output | PNPorNPN(selectable light/dark operation) | PNPorNPN(selectable light/dark operation) | ||||

![]()  | 
      ![]()  | 
    
| 光源Light Source | 可见红光(Visbld Red) | 激光(Laser) | ||||
| 槽宽Gap Sizes | PNP NPN | PNP NPN | ||||
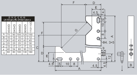
| 40×40mm | BWL4040-D-R011-S49 | BWL4040-D-R012-S49 | BWL4040-D-L011-S49 | BWL4040-D-L012-S49 | ||
| 54×54mm | BWL5454-D-R011-S49 | BWL5454-D-R012-S49 | BWL5454-D-L011-S49 | BWL5454-D-L012-S49 | ||
| 68×68mm | BWL6868-D-R011-S49 | BWL6868-D-R012-S49 | BWL6868-D-L011-S49 | BWL6868-D-L012-S49 | ||
| 90×90mm | BWL9090-D-R011-S49 | BWL9090-D-R012-S49 | BWL9090-D-L011-S49 | BWL9090-D-L012-S49 | ||
| 110×110mm | BWL110110-D-R011-S49 | BWL110110-D-R012-S49 | BWL110110-D-L011-S49 | BWL110110-D-L012-S49 | ||
| 技术参数(Technical parameters): | ||||
| 分辨率 Resolution  | 
      0.5mm(40×40&54×54 models); 
 0.8mm(all others) 
 
 
 
 
 
 
 
 
  | 
      0.1mm(40×40); 
 0.2(54×54&68×68);0.3mm(all others) 
 
 
 
 
 
 
 
 
  | 
    ||
| 回差 Hysteresis  | 
      0.25mm | 0.02mm | ||
| 重复精度 Repeatability  | 
      0.04mm(40×40);≤0.06mm(54×54);≤0.08mm(all others) | ≤0.015mm | ||
| 灵敏度调节Sensitivity adjustment | 电位器Potentiometer(270°) | 电位器Potentiometer(270°) | ||
| 外壳材料Housing material | 阳极氧化铝Anodized aluminum  
 玻璃透镜glass lens 
 
 
 
 
 
 
 
 
  | 
      阳极氧化铝Anodized aluminum  
 玻璃透镜glass lens 
 
 
 
 
 
 
 
 
  | 
    ||
| 防护等级Degree of protection | IP67 | IP67 | ||
| 工作温度Operating temperatu | -10...+60℃ | -10...+60℃ | ||
| 工作电压Operating voltage | 10-30VDC | 10-30VDC | ||
| 开关频率Switching frequency | 1.5KHz | 3KHz | ||
| 输出Output | PNPorNPN(selectable light/dark operation) | PNPorNPN(selectable light/dark operation) | ||

![]()  | 
      ![]()  | 
    
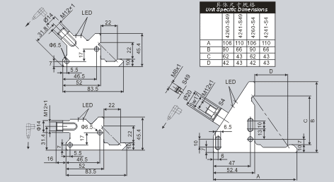
| 光源Light Source | 红外线(Infrared ) | ||
| 槽宽Gap Sizes | PNP NPN | ||
| 22×22mm45°插件45°connector | BWL2222C-001-S4 | ||
| 22×22mm水平插件 Horizontal connector | BWL2222B-001-S4 | ||
| 42×41mm45°M12插件45°M12 connector | BWL4241A-001-S4 | ||
| 42×41mm45°M8插件45°M8 connector | BWL4241A-001-S49 | ||
| 42×60mm45°M12插件45°M12 connector | BWL4260A-001-S4 | ||
| 42×60mm45° M8插件M8 connector | BWL4260A-001-S49 | ||
| 技术参数(Technical parameters): | |||
| 光源类型Light Type | 红外线Infrared 880 nm | ||
| 分辨率esolution | 1.0mm | ||
| 回差Hysteresis | 0.5mm | ||
| 重复精度Repeatability | ≤1.0mm | ||
| 灵敏度调节Sensitivity adjustment | 无None | ||
| 外壳材料Housing material | 阳极氧化铝Anodized aluminum | ||
| 防护等级Degree of protection | IP67 | ||
| 工作温度Operating temperatu | -10...+60℃ | ||
| 工作电压Operating voltage | 10-30VDC | ||
| 开关频率Switching frequency | 1KHz | ||
| 输出Output | PNP | ||
![]()  | 
      ![]()  | 
    
| 定义: 分辨率 最小零部件可检出或最小变化的零部件姿态可检出 回差 此距离是目标必须移动到开关输出 重复精度 传感器返回时都相同点的精确性 Definitions:. Resolution The smallest part detectable or the smallest change in part position detectable. Hysteresis Distance the target is required to move to switch the output. Repeatability The sensor’s accuracy when returning to the exact same point.  |