![]() |
扫描型热金属检测器HMD500系列、HMD600系列是为钢铁制造过程中的自动化而设计,独特的设计和坚固的结构适用于各种恶劣的重工业环境。主要用于在连铸和热轧制造过程中跟踪任何形状的热金属(线 材,棒材,带材,厚板,方坯,板坯等)。
扫描型热金属检测器光学区域被一个带有多面棱镜的旋转鼓扫描。如果一个热金属穿过传感器的视场,热金属发出的红外光被反射到光电探测器上,光电探测器将光信号转换成电信号,该信号经过电子线路处理,转换成输出信号。

扫描型热金属检测器采用的是硫化铅 (PbS) 探测器。不同光电探测器产生的光谱响应比较显示出硫化铅光电探测器对热金属有很强的探测能力。它的输出能足够探测到低至250°C的金属。

■ 大的纵向视场使得安装调整方便,同时更可靠的检测,而不管工件的纵向位置如何。
■ 窄的横向视场确保精确的检测。
■ 小的解析光束(瞬时视场)确保可靠的检测。
所有这些特点最终带来了精确和可靠的检测,无论工件的尺寸、温度如何,或是检测距离以及工件在扫描视场中的位置如何。
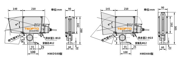
和目标之间的安装距离通常没有严格的要求,主要依靠选择的扫描角度(10,30,或50 度),只要覆盖整个控制区域。
| 扫描角度 | 10° | 60° | 50° |
| 响应时间 | 1 ms | 2 ms | 4 ms |
| 横向角度 | 可调,最大 3° | ||
| 光谱范围 | 1 至 3 µm, 灵敏度峰值位于 2.2 µm | ||
| 目标温度 | 普通 ≥400℃,最低250℃ | ||
扫描角度应根据具体应用对检测范围的要求来确定。
传感器和各种工件之间的最佳距离 (与温度有关):
| 规格 | 距离 | 规格 | 距离 |
| 线材 5mm至 12mm | 0.2m~3.0m | 带材 | 0.6m~2m |
| 棒材 10×10mm至 40×40mm | 0.2m~4.0m | 薄板 | 1.0m~6.0m |
| 方坯 | 0.5m~6.0m | 厚板 | 1.0m~8.0m |
| 大方坯 | >2.0m | 板坯 | >2.0m |
| 工作电压Power Voltage | 110 VAC 或 220 VAC 或 24 VDC |
| 消耗功率 | AC:≤30W; DC:≤600mA |
| 检测方式 | 线扫描 |
| 扫描角度 | 10°;30°;50° |
| 电平输出 | NPN / PNP推挽输出;电流≤200mA |
| 触点输出 | 继电器触点输出,一开一闭;250VAC 5A |
| 自检测试 | 有 |
| 连接 - 电缆 | 采用重型连接器及多芯电缆;电缆标准长度为 2 m |
| 防护等级 | IP66 |
| 外壳材质 | 铸铝 |
| 工作环境温度 | -20℃ 至 60℃时, 无需水冷; 超过 60℃时, 传感器必须水冷。 冷却水: 工业用水,水温 25 ℃, 压强 1-2 巴, 流量 1-2升/分钟 |
![]() |
控制面板位于传感器后面的保护盖板下面:
■ LED 指示灯
绿色:没有探测到目标,正常待机状态
红色:表示探测到目标
橙色:信号饱和或窗口玻璃被污染
不亮:报警指示灯
![]() |
![]() |
SKDH型;SRJ3000型;SRJ500型;SRJ6型;HT8型;Rota-Sonde DC2000型;Rota-Sonde DC3000型;