![]()  | 
            
            
  | 
          ||||||
| 概述: | 
| 本机适用于胶带运输机输送料物的检测、可发出有载运行信号。如有洒水装置连接可实现对料物的自动洒水功能。 | 
| 工作原理: | 
| 料流检测器采用下垂链球与物料接触的接触检测方式,当胶带运送物料时物料推动链球并带摆臂向一侧偏移,表示胶带上有料物。如果料流检测器摆臂无发生偏移则说明无料物,此时SHLL-I输出开关信号提供报警。按照接线不同,可作为有载信号或无载报警。 | 
| 结构特点: | 
|          适用于胶带较宽、带速较快的传送带检测。 铸铝外壳,重量轻、硬度高。 采用进口行程开关,使用寿命长。  | 
    
| 技术参数: | 
|          使用环境条件:环境温度:-20℃~+50℃ 相对湿度:不小于85% 动作角度:±20°(双向) 触点数量:1个常开,1个常闭 触点容量:AC380V/5A 可 靠 性:>106次 防护等级:IP65 重 量:9Kg  | 
    
| 安装注意事项: | 
|          采用门式支架安装,将检测头固定于横梁上。 链球高度可视现场情况确定。 本装置开关转换角度为20,对有倾角的胶带机可适当调整安装角度。 对于单臂式安装可参照门式安装方式。 无带荷时,胶带与触轮保持接触。 定期清除洁尘,保持触轮活动灵活自如。  | 
    
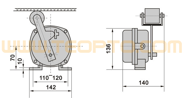
| 外型尺寸 | 
单位:mm![]()  |