![]()  | 
            
            
  | 
          ||||||
| 概述: | 
| 本机用于胶带运输机发生事故时紧急停机。 | 
| 工作原理: | 
| 开关为双向触动式,一端固定在拉绳栓,另一端固定在开关臂上,开关到固定点距离不超过25米,开关间距离不超过30米,当外力促使开关臂杆,转到报警位置时,开关动作。 | 
| 结构特点: | 
|         整体式盖板,使的进行开关调节及维护方面,不需拆除线杆; 外壳防护等级达IP65,可以恶劣环境中长期工作; 本机采用进口行程开关,触电容量大,动作灵敏,可靠性高。  | 
    
| 技术参数: | 
|          使用环境条件:环境温度:-30℃~+50℃ 相对湿度:不小于85% 动作角度:30° 极限行程:60° 动 作 力:10Kg 触点数量:1个常开,1个常闭 触点容量:AC380V/5A 复位方式:自动 可 靠 性:>106次 防护等级:IP65 重 量:2.5Kg  | 
    
| 使用与安装: | 
|          开关平衡得按在机架的固定支架上; 将钢丝绳系在两端的拉环上,每侧绳不超过40m(有坡度时应当缩短); 拉绳压力应适宜,以确保开关可靠复位; 拉绳沿胶带平行方向设置,每10m加一吊环。 钢丝绳按用户所需规格,厂方可代购。  | 
    
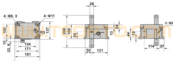
| 外型尺寸 | 
单位:mm![]()  |