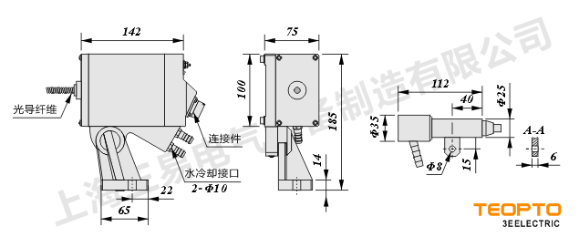
![]() |
|
||||||

| 外壳形式 | 矩形 (材料:铸铝外壳) |
| 工作电源 | (DC24V)±10% ;(AC110V、AC220V) ±10% |
| 工作温度 | -25℃~+70℃ |
| 检测距离 | 0.2~8 m |
| 工作指示 | 电源:LED 绿 ; 动作:LED 黄 |
| 功 耗 | ≤5W |
| 响应时间 | 接点<20ms;电平与隔离<2ms |
| 继电器接点 | 接点容量:DC 30V 1A , AC 220V 1A |
| 灵敏度 | 瞬时针旋转,由低到高 |
| 操作角度 | 俯仰角:±45 |
|
光导纤维
|
| 外壳材料:不锈钢 工作温度:-25℃~+500℃ 有效长度:2米,3米,5米,10米(可订制) |