![]() |
|
||||||

| 功能 | 电源电压 | 输出方式 | 连接件 | |||||||||||
| 参数 | 交流 | 直流 | 延时 | 触点 | 电平推挽输出 | 隔离 | 输入输出 共一个 |
输入输出 各一个 |
||||||
| 110V | 220V | 12V | 24V | 0~5 秒 |
常开 | 常闭 | 12V | 24V | 最大隔离 电压27V |
|||||
| 高 | 低 | 高 | 低 | |||||||||||
| 代号 | 1 | 2 | 3 | 4 | S | Z | A | B | C | D | G | 1 | 2 | |
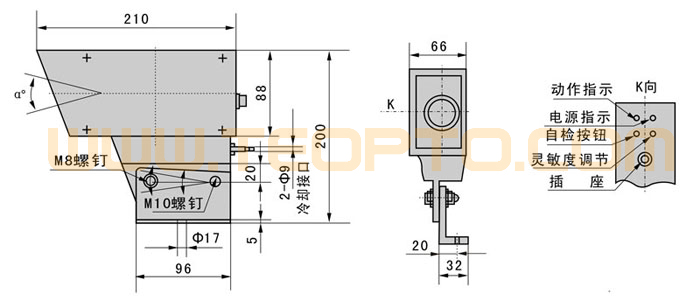
| 外壳形式 | 带冷却 | |||
| 工作电源 | DC12V、DC24V、A110CV、A220CV;±10%额定电压值 | |||
| 工作温度 | -25℃~+70℃;有水冷时 -25℃~+120℃ | |||
| 检测温度 | 550℃~1400℃(普通型);300℃~1400℃(低温型) | |||
| 检测距离 | 0.2m~8m | |||
| 指 示 灯 | 接通电源指示:绿LED亮;有信号工作指示:红LED亮 | |||
| 输出 形式 |
接 点(Z) | 接点容量:AC250V/5A;DC30V/5A | ||
| 电 平 |
12V | 高电平(A) | 有信号,对地高电平12V;负载电流100mA(推挽输出) | |
| 低电平(B) | 有信号,对地低电平 0V;负载电流100mA(推挽输出) | |||
| 24V | 高电平(C) | 有信号,对地高电平24V;负载电流100mA(推挽输出) | ||
| 低电平(D) | 有信号,对地低电平 0V;负载电流100mA(推挽输出) | |||
| 光隔离(G) | 最大输入工作电压≤DC27V,负载电流100mA | |||
| 延 时(S) | 0~5秒 | |||
| 自 检 | 由外部开关控制 | |||
| 视场角度 | 安装距离1m时,视场范围为φ120mm | |||
| 连 接 件 | 一个 | |||
| 功 耗 | ≤5W | |||
| 绝缘电阻 | ≥20MΩ(当DC500V时) | |||
| 响应时间 | 接点<20ms;电平与隔离<2ms | |||
| 灵 敏 度 | 瞬时针旋转,由低到高 | |||
| 保 护 | 直流输入极性保护,电平输出短路及过载保护 | |||
| 操作角度 | 方位角任意调节,俯仰角±75° | |||
| 激光瞄准 | 耐冲击:10G,XYZ各方向;耐震动:1G,XYZ各方向 | |||

