| 检测方式 | S  | 
      N  | 
    ||
| 埋入式 | 非埋入式 | |||
![]()  | 
      ![]()  | 
    |||
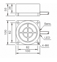
| 检测距离 | 50 mm | 60 mm | ||
| 直流 | NPN 3/4线  | 
      常开 | LJK-10050S50NO | LJK-10050N60NO | 
| 常闭 | LJK-10050S50NC | LJK-10050N60NC | ||
| 开+闭 | LJK-10050S50ND | LJK-10050N60ND | ||
| PNP 3/4线  | 
      常开 | LJK-10050S50PO | LJK-10050N60PO | |
| 常闭 | LJK-10050S50PC | LJK-10050N60PC | ||
| 开+闭 | LJK-10050S50PD | LJK-10050N60PD | ||
| 2线 | 常开 | LJK-10050S50TO | LJK-10050N60TO | |
| 常闭 | LJK-10050S50TC | LJK-10050N60TC | ||
| 交流 2线 | 常开 | LJK-10050S50AO | LJK-10050N60AO | |
| 常闭 | LJK-10050S50AC | LJK-10050N60AC | ||
| 自由电源 2线 | 常开 | |||
| 常闭 | ||||
| 直流电源 | 交流电源 | 自由电源 | ||
| 3/4线 | 2线 | 2线 | 2线 | |
| 工作电压 | 10~30VDC | 90~250VAC | 12~240VDC 24~240VAC  | 
    |
| 负载电流 | ≤200mA | ≤300mA | -- | |
| 静态电流 | ≤10mA | ≤1mA | ≤2mA | -- | 
| 电 压 降 | <2.5V | <6V | <8V | -- | 
| 开关频率 | 50Hz | 25Hz | 15Hz | -- | 
| 标准检测体 | 100×100×1mm(铁),可检测导磁性物体 | |||
| 回差距离 | 约为检测距离的15% | |||
| 极性保护 | 具备 | -- | -- | |
| 短路保护 | 具备 | -- | -- | |
| 输出指示 | LED | |||
| 防护等级 | IP67 | |||
| 环境温度 | -20~70℃ | |||
| 相对湿度 | 35~95%RH | |||
| 外壳材料 | PBT | |||
| 接线形式 | 引线 2m | |||
| 
 * 电缆线材料及长度可按要求定制.  | 
    
| DC 3线: | |
![]() ![]()  | 
    |
| DC 2线: | AC 2线: | 
![]()  | 
      ![]()  |