| 检测方式 | S  | 
      N  | 
    ||
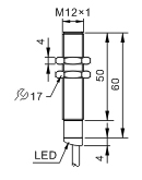
| 埋入式 | 非埋入式 | |||
![]()  | 
      ![]()  | 
      |||
| 检测距离 | 2 mm | |||
| 直流 | NPN 3/4线  | 
      常开 | LJK-FM1260S2NO | |
| 常闭 | LJK-FM1260S2NC | |||
| 开+闭 | LJK-FM1260S2ND | |||
| PNP 3/4线  | 
      常开 | LJK-FM1260S2PO | ||
| 常闭 | LJK-FM1260S2PC | |||
| 开+闭 | LJK-FM1260S2PD | |||
| 2线 | 常开 | |||
| 常闭 | ||||
| 交流 2线 | 常开 | |||
| 常闭 | ||||
| 自由电源 2线 | 常开 | |||
| 常闭 | ||||
| 直流电源 | 交流电源 | 自由电源 | ||
| 3/4线 | 2线 | 2线 | 2线 | |
| 工作电压 | 10~30VDC | 90~250VAC | 12~240VDC 24~240VAC  | 
    |
| 负载电流 | ≤200mA | -- | -- | |
| 静态电流 | ≤15mA | -- | -- | -- | 
| 电 压 降 | <2.5V | -- | -- | -- | 
| 开关频率(埋 入) | 300Hz | -- | -- | -- | 
| 开关频率(非埋入) | -- | -- | -- | -- | 
| 标准检测体 | 12×12×1mm(铁),可检测导磁性物体 | |||
| 回差距离 | 约为检测距离的15% | |||
| 极性保护 | 具备 | -- | -- | |
| 短路保护 | 具备 | -- | -- | |
| 输出指示 | LED (黄色) | |||
| 防护等级 | IP67 | |||
| 环境温度 | -20~70℃ | |||
| 相对湿度 | 35~95%RH | |||
| 外壳材料 | 不锈钢 | |||
| 接线形式 | 引线 2m | |||
| 
       * 电缆线材料及长度可按要求定制.  | 
    
| 检测方式 | S  | 
      N  | 
    ||
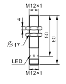
| 埋入式 | 非埋入式 | |||
![]()  | 
      ![]()  | 
      |||
| 检测距离 | 2 mm | |||
| 直流 | NPN 3/4线  | 
      常开 | LJK-FM1260S2NO/S | |
| 常闭 | LJK-FM1260S2NC/S | |||
| 开+闭 | LJK-FM1260S2ND/S | |||
| PNP 3/4线  | 
      常开 | LJK-FM1260S2PO/S | ||
| 常闭 | LJK-FM1260S2PC/S | |||
| 开+闭 | LJK-FM1260S2PD/S | |||
| 2线 | 常开 | |||
| 常闭 | ||||
| 交流 2线 | 常开 | |||
| 常闭 | ||||
| 自由电源 2线 | 常开 | |||
| 常闭 | ||||
| 直流电源 | 交流电源 | 自由电源 | ||
| 3/4线 | 2线 | 2线 | 2线 | |
| 工作电压 | 10~30VDC | 90~250VAC | 12~240VDC 24~240VAC  | 
    |
| 负载电流 | ≤200mA | -- | -- | |
| 静态电流 | ≤15mA | -- | -- | -- | 
| 电 压 降 | <2.5V | -- | -- | -- | 
| 开关频率(埋 入) | 300Hz | -- | -- | -- | 
| 开关频率(非埋入) | -- | -- | -- | -- | 
| 标准检测体 | 12×12×1mm(铁),可检测导磁性物体 | |||
| 回差距离 | 约为检测距离的15% | |||
| 极性保护 | 具备 | -- | -- | |
| 短路保护 | 具备 | -- | -- | |
| 输出指示 | LED (黄色) | |||
| 防护等级 | IP67 | |||
| 环境温度 | -20~70℃ | |||
| 相对湿度 | 35~95%RH | |||
| 外壳材料 | 不锈钢 | |||
| 接线形式 | M12连接器 | |||
| 
       * 电缆线材料及长度可按要求定制.  | 
    
| DC 3线: | |
![]() ![]()  | 
    |
| DC 4线: | |
![]()  | 
      |